Способы управления яркостью свечения светодиодов. По способу регулировки
- Способы управления яркостью свечения светодиодов. По способу регулировки
- Регулятор яркости светодиодных ламп. Диммирование светодиодных ламп
- Как регулировать яркость светодиода. Обычные светодиоды
- Регулировка яркости светодиода резистором. Методы регулировки яркости светодиодов
- Регулировка яркости светодиодов в авто. Принцип регулировки яркости светодиодов
- Регулировать яркость светодиодной ленты. Диммеры для светодиодных лент. Виды и особенности. Применение
- Управление яркостью светодиода ардуино. Светодиодные ленты
Способы управления яркостью свечения светодиодов. По способу регулировки
Диммеры бывают разные не только по их исполнению, но и по принципу работы. Это касается именно диммеров переменного тока.
Первый тип диммеров более распространённый и дешевый, по причине простоты своей схемы – это диммер с отсечкой по переднему фронту (англ. leading edge). Немного дальше будет подробно рассмотрен его принцип работы и схема, для сравнения взгляните на вид напряжения на выходе такого регулятора.
По графику видно, что на нагрузку подается остаток полуволны, а её начало срезается. Из-за характера включения нагрузки, в электросетях наводятся помехи, что мешает работе телевизоров и других устройство. На лампу подаётся напряжение установленной амплитуды, а затем оно затухает, когда синусоида переходит через ноль.
Можно ли использовать leading edge диммер для диодных ламп? Можно. Светодиодные лампы с диммером этого типа будут хорошо поддаваться регулировке, только если они изначально для этого созданы. Об этом свидетельствуют символы на её упаковке. Они еще называются «диммируемые».
Второй тип работает иначе, создает меньше помех и лучше работает с разными лампочками – это диммер с отсечкой по заднему фронту (англ. falling edge).
Регулировка светодиодных ламп с диммерами такого типа происходит лучше, а его конструкция лучше поддерживает недиммируемые источники света. Единственный недостаток – эти лампы могут регулировать свою яркость не с «нуля», а в определенном диапазоне. При этом диммируемые светодиодные лампы – просто великолепно регулируются.
Отдельное слово можно сказать о готовых светодиодных светильниках с регулировкой яркости. Это отдельный класс осветительных устройств, которые не нуждаются в установке дополнительных регуляторов, а имеют его в своей конструкции. Их регулировки производятся с помощью кнопок на корпусе или с пульта.
Поворотный
Правильный подбор и установка регулятора значительно увеличат срок его службы. Поворотный вариант исполнения имеет вращающуюся ручку, которая при установке в крайнее левое положение отключает освещение. Постепенный поворот ручки вправо увеличивает яркость лампы.
Клавишный
Основные компоненты вариатора: триак, узел формирования импульса, диак (динистор). Клавишный вариант исполнения внешним видом очень напоминает обычные двухклавишные выключатели. Посредством клавиш осуществляется включение и отключение осветительного прибора, а также регулируется мощность освещения.
Поворотно-нажимной
Дополнительные части вариатора: резисторы и конденсаторы. Поворотно — нажимной вариант исполнения имеет принцип действия, аналогичный поворотному устройству, но для включения системы освещения требуется немного «утапливать» ручку.
Регулятор яркости светодиодных ламп. Диммирование светодиодных ламп
Для регулировки яркости ламп накаливания давным-давно был изобретён диммер - простое электронное устройство, меняющее яркость лампы за счёт "обрезания" части синусоиды сетевого напряжения.Лампа накаливания проста, а светодиодная лампа содержит сложную электронную схему, поэтому с диммированием там всё непросто. Сегодня я расскажу, что делают диммеры, чем они отличаются между собой, и как себя ведут диммируемые светодиодные лампы по сравнению с лампами накаливания при регулировке яркости.
Как регулировать яркость светодиода. Обычные светодиоды
Светодиод – простейший индикатор, который можно использовать для отладки кода: его можно включить при срабатывании условия или просто подмигнуть. Но для начала его нужно подключить.
Подключение светодиода
Светодиод – это устройство, которое питается током, а не напряжением. Как это понимать? Яркость светодиода зависит от тока, который через него проходит. Казалось бы, достаточно знания закона Ома из первого урока в разделе, но это не так!
- Светодиод в цепи нельзя заменить “резистором”, потому что он ведёт себя иначе, нелинейно.
- Светодиод полярен, то есть при неправильном подключении он светиться не будет.
- Светодиод имеет характеристику максимального тока, на котором может работать. Для обычных 3 и 5 мм светодиодов это обычно 20 мА.
Регулировка яркости светодиода резистором. Методы регулировки яркости светодиодов
В настоящее время, несмотря на появление систем сетевого типа (DMX, DALI и др.), 95% всех существующих систем регулировки яркости представляют собой одноканальные настенные диммеры с отсечкой фазы и нет признаков того, что они скоро уйдут с рынка. Больше того, их продажи продолжают расти. В США установлено более 150 млн обычных диммеров, работающих совместно с лампами накаливания. Причинами широкого внедрения диммеров стали желание улучшить эстетическое восприятие освещения и возможность экономии энергии с помощью регулировки яркости свечения. Однако с внедрением законодательных норм, запрещающих использование обычных ламп накаливания, в качестве их замены все более широко будут использоваться светодиодные лампы. Но, к сожалению, пока совместимость светодиодов с существующей технологией регулировки яркости далека от идеальной.
Сегодня используются два основных типа диммеров с отсечкой фазы: диммеры с отсечкой по переднему фронту полуволны переменного напряжения (LEDIM) и диммеры с отсечкой по заднему фронту полуволны переменного напряжения (TEDIM) (см. рис. 1). Технология LEDIM доминирует, главным образом, в Северной Америке. Считается, что технология TEDIM, которая весьма популярна в Европе и других странах мира, лучше приспособлена для работы с низковольтными галогенными лампами, использующими электронные трансформаторы. В LEDIM в качестве активного элемента обычно используют триак или триак/диак, а TEDIM имеет более сложную схему и использует в качестве активных приборов MOSFET или IGBT. Можно сказать, что в LEDIM используется активное состояние «включено», а в TEDIM — активное состояние «выключено» — по отношению к начальной точке (0 градусов) каждой полуволны. Следует отметить, что в TEDIM генерируется немного меньший уровень собственного шума, т.к. в активном выключенном состоянии формируется меньше импульсных помех.
Регулировка яркости светодиодов в авто. Принцип регулировки яркости светодиодов
Если упустить подробности и объяснения, то схема регулировки яркости светодиодов предстанет в самом простом виде. Такое управление отлично от метода ШИМ, который мы рассмотрим чуть позже.
Итак, элементарный регулятор будет включать в себя всего четыре элемента:
- блок питания;
- стабилизатор;
- переменный резистор;
- непосредственно лампочка.

И резистор, и стабилизатор можно купить в любом радиомагазине. Подключаются они точно так, как показано на схеме. Отличия могут заключаться в индивидуальных параметрах каждого элемента и в способе соединения стабилизатора и резистора (проводами или пайкой напрямую).
Собрав своими руками такую схему за несколько минут, вы сможете убедиться, что меняя сопротивление, то есть, вращая ручку резистора, вы будете осуществлять регулировку яркости лампы.
В показательном примере аккумулятор берут на 12 Вольт, резистор на 1 кОм, а стабилизатор используют на самой распространенной микросхеме Lm317. Схема хороша тем, что помогает нам сделать первые шаги в радиоэлектронике. Это аналоговый способ управления яркость. Однако он не подойдет для приборов, требующих более тонкой регулировки.
Необходимость в регуляторах яркости
Теперь разберем вопрос немного подробнее, узнаем, зачем нужна регулировка яркости, и как можно по-другому управлять яркостью светодиодов.
- Самый известный случай, когда необходим регулятор яркости для нескольких светодиодов, связан с освещением жилого помещения. Мы привыкли управлять яркостью света: делать его мягче в вечернее время, включать на всю мощность во время работы, подсвечивать отдельные предметы и участки комнаты.
- Регулировать яркость необходимо и в более сложных приборах, таких как мониторы телевизоров и ноутбуков. Без нее не обходятся автомобильные фары и карманные фонарики.
- Регулировка яркости позволяет экономить нам электроэнергию, если речь идет о мощных потребителях.
- Зная правила регулировки, можно создать автоматическое или дистанционное управление светом, что очень удобно.
В некоторых приборах просто уменьшать значение тока, увеличивая сопротивление, нельзя, поскольку это может привести к изменению белого цвета на зеленоватый. К тому же увеличение сопротивления приводит к нежелательному повышенному выделению тепла.
ШИМ управление
Выходом из, казалось бы, сложной ситуации стало ШИМ управление (широтно-импульсная модуляция). Ток на светодиод подается импульсами. Причем значение его либо ноль, либо номинальное – самое оптимальное для свечения. Получается, что светодиод периодически то загорается, то гаснет. Чем больше время свечении, тем ярче, как нам кажется, светит лампа. Чем меньше время свечения, тем лампочка светит тусклее. В этом и состоит принцип ШИМ.

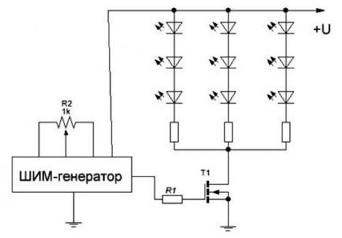
Управлять яркими светодиодами и светодиодными лентами можно непосредственно с помощью мощных МОП-транзисторов или, как их еще называют, MOSFET. Если же требуется управлять одной-двумя маломощными светодиодными лампочками, то в роли ключей используют обычные биполярные транзисторы или подсоединяют светодиоды напрямую к выходам микросхемы.

Вращая ручку реостата R2, мы будет регулировать яркость свечения светодиодов. Здесь представлены светодиодные ленты (3 шт.), которые присоединили к одному источнику питания.
Зная теорию, можно собрать схему ШИМ устройства самостоятельно, не прибегая к готовым стабилизаторам и диммерам. Например, такую, как предлагается на просторах интернета.

NE555 – это и есть генератор импульсов, в котором все временные характеристики стабильны. IRFZ44N – тот самый мощный транзистор, способный управлять нагрузкой высокой мощности. Конденсаторы задают частоту импульсов, а к клеммам «выход» подсоединятся нагрузка.
Поскольку светодиод обладает малой инертностью, то есть, очень быстро загорается и гаснет, то метод ШИМ регулирования является оптимальным для него.
Готовые к использованию регуляторы яркости
Регулятор, который продается в готовом виде для светодиодных ламп, называются диммером. Частота импульсов, создавая им, достаточно велика для того, чтобы мы не чувствовали мерцания. Благодаря ШИМ контролеру осуществляется плавная регулировка, позволяющая добиваться максимальной яркости свечения или угасания лампы.
Встраивая такой диммер в стену, можно пользоваться им, как обычным выключателем. Для исключительно удобства регулятор яркости светодиодов может управляться радио пультом.
Способность ламп, созданных на основе светодиодов, менять свою яркость открывает большие возможности для проведения световых шоу, создания красивой уличной подсветки. Да и обычным карманным фонариком становится значительно удобнее пользоваться, если есть возможность регулировать интенсивность его свечения.
Регулировать яркость светодиодной ленты. Диммеры для светодиодных лент. Виды и особенности. Применение
Диммеры для светодиодных лент, нужны чтобы менять яркость свечения. Изменение происходит из-за уменьшения мощности, подаваемой на ленту. Уменьшая интенсивность света, вы можете продлить срок службы осветительного прибора, создать более комфортную для отдыха обстановку или, наоборот, смоделировать праздничное динамичное освещение.
Применение
Диммеры пользовались популярностью в эпоху ламп накаливания, и многие думали, что с распространением светодиодных источников они постепенно уйдут с рынка. Но этого не произошло.
Регуляторы яркости света научились применять к энергосберегающим и даже светодиодным лампам. Их устанавливают и на светодиодные ленты, добиваясь красивых эффектов.
Диммеры для светодиодных лент любят использовать дизайнеры освещения, расставляя акценты на деталях комнаты или архитектурного сооружения.
Регуляторы освещения можно встраивать в элементы настенных и потолочных конструкций, делая их незаметными. Встречаются накладные экземпляры и модули, работающие от батареек.
У многих моделей предусмотрены программы управления, что делает их похожими на контроллеры для светодиодных лент.
Для управления RGB лентами необходим трехканальный диммер, который меняет подаваемую мощность на каждый канал в отдельности. Такое устройство управляет не только яркостью, но и цветом. Нажимая определенное количество раз на клавишу регулировки, вы переводите осветительный прибор в нужный режим.
Управление яркостью светодиода ардуино. Светодиодные ленты
Светодиодная лента представляет собой цепь соединённых светодиодов. Соединены они не просто так, например обычная 12V лента состоит из сегментов по 3 светодиода в каждом. Сегменты соединены между собой параллельно, то есть на каждый приходят общие 12 Вольт. Внутри сегмента светодиоды соединены последовательно, а ток на них ограничивается общим резистором (могут стоять два для более эффективного теплоотвода): Таким образом достаточно просто подать 12V от источника напряжения на ленту и она будет светиться. За простоту и удобство приходится платить эффективностью. Простая математика: три белых светодиода, каждому нужно по ~3.2V, суммарно это 9.6V. Подключаем ленту к 12V и понимаем, что 2.5V у нас просто уходят в тепло на резисторах. И это в лучшем случае, если резистор подобран так, чтобы светодиод горел на полную яркость.
Подключаем к Arduino
Здесь всё очень просто: смотрите предыдущий урок по управлению нагрузкой постоянного тока. Управлять можно через реле, транзистор или твердотельное реле. Нас больше всего интересует плавное управление яркостью, поэтому продублирую схему с полевым транзистором: Конечно же, можно воспользоваться китайским мосфет-модулем ! Пин VCC кстати можно не подключать, он никуда не подведён на плате.
Управление
Подключенная через транзистор лента управляется точно так же, как светодиод в предыдущей главе , то есть все примеры кода с миганием, плавным миганием и управление потенциометром подходят к этой схеме. Про RGB и адресные светодиодные ленты мы поговорим в отдельных уроках.
Питание и мощность
Светодиодная лента потребляет немаленький ток, поэтому нужно убедиться в том, что выбранный блок питания, модуль или аккумулятор справится с задачей. Но сначала обязательно прочитайте урок по закону Ома ! Потребляемая мощность светодиодной ленты зависит от нескольких факторов:
- Яркость . Максимальная мощность будет потребляться на максимальной яркости.
- Напряжение питания (чаще всего 12V). Также бывают 5, 24 и 220V ленты.
- Качество , тип и цвет светодиодов: одинаковые на вид светодиоды могут потреблять разный ток и светить с разной яркостью.
- Длина ленты. Чем длиннее лента, тем больший ток она будет потреблять.
- Плотность ленты, измеряется в количестве светодиодов на метр. Бывает от 30 до 120 штук, чем плотнее – тем больший ток будет потреблять при той же длине и ярче светить.
Лента всегда имеет характеристику мощности на погонный метр ( Ватт/м ), указывается именно максимальная мощность ленты при питании от номинального напряжения. Китайские ленты в основном имеют чуть меньшую фактическую мощность (в районе 80%, бывает лучше, бывает хуже). Блок питания нужно подбирать так, чтобы его мощность была больше мощности ленты, т.е. с запасом как минимум на 20%.
- Пример 1: нужно подключить 4 метра ленты с мощностью 14 Ватт на метр, лента может работать на максимальной яркости. 14*4 == 56W, с запасом 20% это будет 56*1.2 ~ 70W, ближайший блок питания в продаже будет скорее всего на 100W.
- Пример 2: берём ту же ленту, но точно знаем, что яркость во время работы не будет больше половины. Тогда можно взять блок на 70 / 2 == 35W.
Важные моменты по току и подключению:
- Подключение : допустим, у нас подключено ленты на 100W. При 12 Вольтах это будет 8 Ампер – весьма немаленький ток! Ленту нужно располагать как можно ближе к блоку питания и подключать толстыми (2.5 кв. мм и толще) проводами. Также при создании освещения есть смысл перейти на 24V ленты, потому что ток в цепи будет меньше и можно взять более тонкие провода: если бы лента из прошлого примера была 24-Вольтовой, ток был бы около 4 Ампер, что уже не так “горячо”.