Устройство фундамента под деревянный дом. Технология заливки фундамента под стоящий деревянный дом
- Устройство фундамента под деревянный дом. Технология заливки фундамента под стоящий деревянный дом
- Ленточный фундамент. Ленточные фундаменты
- Столбчатый фундамент для брусового дома. Плюсы и минусы свайных, ленточных и столбчатых фундаментов для брусовых домов
- Кирпичный фундамент для деревянного дома. Кирпичные фундаменты для деревянных домов
- Правильный фундамент для дома. Как залить фундамент – инструкции и схемы правильной заливки своими руками
- Плитный фундамент под деревянный дом. Виды фундаментов под дом
- Глубина заложения фундамента под деревянный дом. Устройство фундамента для деревянного дома
- Видео мелкозаглубленный фундамент для деревянного дома
Устройство фундамента под деревянный дом. Технология заливки фундамента под стоящий деревянный дом
Рано или поздно владельцы деревянных домов сталкиваются с проблемой разрушения фундамента. Причин этого явления бывает довольно много: нарушение технологии строительства, погодные явления или безжалостное влияние времени.
Независимо от основополагающих факторов, результат один – дом начинает кривиться, перекашиваются дверные и оконные проёмы, возникает вероятность разрушения. Примечательно, но само строение находится в неплохом состоянии, разрушаться обычно начинает фундамент.
Столкнувшись с неприятным явлением, не стоит сразу задумываться о переезде. Можно просто залить фундамент под стоящий деревянный дом. Это довольно сложная и трудоёмкая работа, но вполне осуществимая своими силами.
Для создания основания под жилище обычно используют бетон или лучшие блоки для фундамента деревянного дома. Даже человек, далёкий от строительства, знает, что бетон считается практически вечным материалом и спустя много лет не утрачивает своих технических характеристик.
Однако это предубеждение не совсем соответствует действительности. Даже хороший и качественный бетон со временем разрушается, особенно если не соблюдаются условия эксплуатации или происходит негативное влияние внешних факторов. Все виды фундаментов для деревянных домов (ленточные и столбчатые) не застрахованы от разрушения.
Основными причинами этого неприятного и даже опасного явления считаются:
- . Если в процессе заливки бетонного основания забыли установить армирующую связку, срок жизни фундамента заметно сократится. Армирование даже при разрушении основания не даёт отдельным кускам фундамента вываливаться, сохраняя целостность основания;
- грунтовые воды . Здесь играет роль сезонный фактор, когда высокозалегающие воды постепенно подтачивают фундамент или вымывают грунт. В результате бетон трескается и больше не может выполнять свою основную функцию. Избежать проблем поможет тщательный выбор места под строительство дома или обустройство дренажных систем;
- пренебрежение гидроизоляцией . Многие считают, что если в доме неэксплуатируемый подвал, можно отказаться от гидроизоляции. Это ошибка. Даже если здесь глинистый пол, а грунтовые воды залегают глубоко, бетонное основание изолируется в обязательном порядке. Это поможет защитить материал от разрушения в случае прорыва канализации или доступа в подвальное помещение талых вод;
- увеличение нагрузки . Достаточно распространённая ситуация, когда обычный одноэтажный дом начинает прирастать дополнительными этажами и жилыми помещениями. При обустройстве фундамента марка бетона подбирается с учётом предполагаемых нагрузок, и, если проектные условия не соблюдаются, основание начинает крошиться.
Ленточный фундамент. Ленточные фундаменты
Ленточный фундамент – наиболее распространенный вид. Он считается универсальным, так как подходит для большинства типов грунтов. Исключения составляют лишь регионы, близкие к зоне «вечной мерзлоты», строения, возводимые буквально «на воде». Представляет собой железобетонную ленту определенной высоты и ширины, которая сооружается по периметру строения и под внутренними несущими стенами.
По технологии строительства бывает следующих видов:
- Монолитный – сооружается путем заливки бетона в опалубку с предварительно изготовленным армирующим каркасом.
- Сборный – строится из специальных фундаментных блоков ФБС, дополнительно могут применяться подошвы ФЛ для увеличения устойчивости.

Рисунок 2. Схемы сборного и монолитного ленточного основания
Ленточное основание оптимально подходит для строительства домов из тяжелых материалов (кирпич, газобетон и т.д.). Такой тип фундамента делается также под здания с подвальными и цокольными этажами. Традиционно он сооружается ниже глубины промерзания.

Рисунок 3. Заглубленный ленточный фундамент
Однако возможно устройство мелкозаглубленного варианта – обычно он используется для относительно небольших домов и требует проведения комплексных мероприятий по утеплению, которое позволит предотвратить пагубное воздействие морозного пучения.

Рисунок 4. Схема качественного мелкозаглубленного ленточного фундамента
Основные недостатки ленточных фундаментов – большие объемы земляных работ и расходы строительных материалов. Однако эти минусы оправдывает повышенная надежность и длительный срок службы конструкций этого типа.
Столбчатый фундамент для брусового дома. Плюсы и минусы свайных, ленточных и столбчатых фундаментов для брусовых домов
В начале строительства производится геоанализ почвы, изучаются все плюсы и минусы каждого вида опорной конструкции. Подобный подход помогает правильно определиться с выбором основания.
Свайный
Под сруб фундамент может возводиться из свай: буронабивные, винтовые или забивные. Первый вариант основывается на бурении отверстий под сваи в опорных точках. Над ними возводится опалубка требуемой высоты и далее осуществляется бетонирование. Во втором варианте опоры – полые стальные столбы, имеющие винтовую нарезку. Они могут закручиваться в землю машинным или ручным способом. После установки они заполняются бетоном. Третий вид – свай вбиваются в почву при помощи специального оборудования.
Плюсы
Возведение фундамента под жилье из клееного бруса дает преимущества:
- высокая надежность на любой почве: болотистая, пучинистая, песчаная и щебнесодержащая;
- низкая себестоимость;
- компенсирует перепад высоты 500 – 1000 мм;
- время строительства дома 3 – 4 месяца;
- постройка многоэтажного здания, в план которого может входить мансарда.
Минусы
Свайный фундамент обладает следующими недостатками:
- постройка брусового жилья производится не стандартным методом;
- наличие обвязки отдельно стоящих опор в единый контур;
- забивание свай в грунт требует опыта.
Ленточный
Относится к основаниям монолитного типа и выполняется в двух вариантах: глубокозаглубленное (ГЗФ), мелкозаглубленное (МЗФ). Первый вариант заливается на глубину свыше 800 мм. Подходит для постройки массивных зданий и сооружений из кирпича, шлакоблока, газобетона ит. д. Закладывать его под строительство жилья из бруса нецелесообразно. Малый вес строения не компенсирует касательного давления грунта при вспучивании почвы и через 1 – 2 зимы придется производить ремонт фундамента. МЗФ глубина заложения, которого 600 – 800 мм сэкономит материальные затраты и выдержит вес подобного жилья. Он заливается на глубину промерзания грунта (ГПГ).
Применяется на глинистой или каменистой почве и способен выдержать двухэтажный дом.
Плюсы:
- простота возведения;
- долговечность и надежность;
- минимальное время постройки;
- не подвержен усадке;
- заливка опорной части не требует специальной техники.
Минусы
- не подходит для песчаной почвы или болотистой местности;
- после заливки необходимо время на полную кристаллизацию бетона;
- материально затратный вид фундамента;
- сборка металлического основания;
- не возводится при наличии подземных вод 1500 – 2000 мм от поверхности.
Столбчатый
В качестве материалов для заложения столбчатого фундамента может использоваться кирпич, бетонные блоки или заливаться опалубка. Он закладывается на песчаную подушку, и заглубляется на глубину минимум 200 мм.
Плюсы
- столбы размещаются только в опорных точках;
- экономный расход материалов;
- простая конструкция.
Минусы
- каждый столб имеет разную степень усадки;
- не применяется на глинистом грунте.
В зависимости от высотного перепада рельефа, структуры почвы и массивности дома из профилированного бруса закладывается оптимальный вариант фундамента.
Кирпичный фундамент для деревянного дома. Кирпичные фундаменты для деревянных домов
Хорошим решением является кирпичный фундамент для деревянного дома. У такой конструкции есть большое количество преимуществ, по сравнению с другими, более дорогостоящими и сложными в исполнении. Прежде чем приступить к строительству фундамента из кирпича для дальнейшего возведения деревянного здания, необходимо разобраться в достоинствах и возможных недостатках, а также определить возможность использования на участке.

Стоит ли делать кирпичный фундамент?
Чтобы определиться с тем, подойдет заливка из кирпича или нет в отдельном случае, необходимо определить преимущества и недостатки использования конструкции. Главными плюсами кирпичного фундамента являются:
- отсутствие необходимости привлечения строителей и техники;
- мобильность кирпичного фундамента деревянного дома;
- простота проведения ремонтных работ;
- разнообразность конфигурации.
Что касается недостатков, то:
- Использовать можно только глиняный кирпич, так как другие структурные виды не выдерживают влаги.
- Без использования элементов, защищающих раствор от влажности, кладка может осунуться.
- Необходима гидроизоляция фундамента если грунтовые воды залегают близко.
- Следует создать подсыпку для прочности и долговечности.
Для кирпичного фундамента необходимо подбирать только полнотелый красный кирпич, не бывший в использовании.
Когда применяют конструкцию?

Такой фундамент можно заложить для небольшого одноэтажного домика.
Деревянный дом на кирпичной конструкции строят, если это позволяет почва и габариты будущего здания. Такая кладка используется:
- при возведении одноэтажного легкого сооружения;
- на сухих грунтах;
- на участках со сглаженным рельефом;
- в местах глубокого залегания грунтовых вод.
Виды кирпичного фундамента для деревянного дома
Существует два способа укладки основы для дома, которые отличаются по технологии укладывании материала:
- Ленточный вариант — используется для тяжелых строений. Фундамент деревянного дома может быть заглубленным на разное расстояние и подходит для пучинистых грунтов. Кладка выполняется по всему периметру дома и углы выкладываются по тому же принципу, что и стены.
- Столбчатая конструкция — создается из невысоких столбов, которые поддерживают строение по углам и на стыках несущих элементов. Этот вид менее затратный.
Как сделать кладку?

В готовый котлован засыпается и трамбуется песок.
Первые шаги по созданию конструкции заключаются в подготовке к работам. Кроме закупки материалов и инструментов, также необходимо провести разметку. Если сделать это проблематично — натянуть специальные веревки. После этого производятся такие манипуляции:
- На дно заранее выкопанного рва насыпают слой песка.
- После этого выкладывается гидроизоляция (рубероид или битум).
- Для повышения прочности на дно залить бетонный раствор.
- После высыхания бетона, можно начинать укладывать кирпич.
Преимущества такой конструкции проявляется в простоте ее выполнения. Чтобы кирпичная кладка прослужила долго, важно соблюдать алгоритм выполняемых работ и правила укладки. Немаловажную роль играет и покупка качественных материалов. Для изучения всех деталей можно обратиться за консультацией к профессиональному строителю.
Правильный фундамент для дома. Как залить фундамент – инструкции и схемы правильной заливки своими руками
Для правильной постройки загородного дома, дачи или строения иного бытового назначения работы необходимо начинать с заливки фундамента. Данную операцию можно выполнить своими силами, не привлекая наемных работников, что позволит сэкономить значительную часть средств и быть полностью уверенным в качестве проведенных работ.

Строго опираясь и соблюдая правила для заливки фундамента, каждый сможет справиться с процедурой вполне успешно.

Разновидность фундамента
Тип заливаемого фундамента подбирается в каждом случае индивидуально и зависит от внешних факторов, особенностей исполнения, трудоемкости и затрат, а именно:
- Тип планируемого строения, его размеры, вес и наличие подземных помещений, таких как глубокий погреб или гараж, предъявляют определенные требования к фундаменту.
- Состав и основные характеристики почвы накладывают свои особенности. Преобладание каменистого грунта не влияет на его насыщение грунтовыми и талыми водами, что обеспечивает неподвижность и отсутствие рисков разрыва фундамента как по высоте, так и в продольном направлении. Глинистые или торфяные грунты подвержены пучению, что может повредить возведенное строение.
- Наличие и уровень залегания грунтовых вод определяет глубину закладки.

В зависимости от вышеуказанных факторов, все типы фундаментов подразделяются на следующие:
Плитный фундамент
Используется в качестве основания для крупных домов, построенных из кирпича, бруса или строительных блоков. В зависимости от планируемого расположения подземных помещений, разделяется на мелкозаглубленный и заглубленный.

Основным преимуществом такой технологии является то, что они не зависят от характеристик грунта и обеспечивают сохранность постройки. Однако, она достаточно дорогостоящая, для заливки необходимо использовать спецтехнику.

Свайный фундамент
Подходит для песчаных и глинистых типов грунта, а также при расположении строения на неровной местности с преобладанием уклонов. Является затратным и требует применения специальной техники.

Столбчатый фундамент
Технология заливки простая и дешевая, однако, подойдет только для зданий с небольшим весом, таких как некрупные хозяйственные постройки или летние щитовые домики.

Ленточный фундамент
Представляет собой монолитную плиту из железобетона, которая проходит в земле под всеми несущими стенами возводимого здания. В настоящее время данная технология является наиболее востребованной, не требует применения специальных машин, а при строгом соблюдении подробной инструкции о том, как правильно залить фундамент, это под силу выполнить своими руками.
Технология самостоятельной заливки фундамента
Перед началом самих работ необходимо точно определиться с размерами и параметрами планируемого дома и постройки, расположением не только внешних, но и внутренних стен, которые будут являться несущими.

После этого можно приступать к следующим процедурам.

Разметка места под будущий фундамент
После окончательного принятия решения о постройке дома, необходимо тщательно подготовить участок под возводимое строение. Место постройки нужно очистить от деревьев и кустарников, крупных камней и прочего мусора, который может препятствовать работе.

После этого требуется подготовить необходимый инструмент, который включает в себя:
- Бечевка или леска;
- Колышки из дерева (длина может быть от 110 до 130 см);
- Измерительная рулетка. Предпочтение следует отдать длинным вариантам, до двадцати пяти метров;
- Бытовые ножницы для нарезки бечевки или лески;
- Строительный отвес;
- Слесарный угольник;
- Любое счетное устройство типа калькулятора. Оно будет необходимо для правильного расчета сторон заливаемого фундамента и объема смеси;

Первым делом нужно наметить место, в котором будет располагаться любой угол фасада здания, после чего в требуемую точку забивается имеющийся колышек. От установленной метки отмерить ширину планируемого фасада, после чего на требуемое расстояние вбивается второй колышек.

Используя строительный отвес проверяется возможное отклонение угла фасада, выставляется вертикаль, после чего от нее протягивается бечевка или леска, которая должна быть расположена строго перпендикулярно требуемой линии фасада.

Применяя слесарный угольник намечают оставшиеся углы здания, устанавливая колышки на требуемые места и соединяя последние бечевкой. После всех проведенных процедур важно проверить точность расположения вбитых маячков, для чего при помощи строительной рулетки производится замер диагоналей здания. При имеющемся расхождении нужно подкорректировать вбитые колышки.

Таким образом, размечается внешний диаметр строения. Для определения внутреннего периметра, не отходя от линии разметки по разные стороны каждого вбитого колышка, также устанавливают еще по одному, отступая по сорок сантиметров в каждую сторону.

Плитный фундамент под деревянный дом. Виды фундаментов под дом

Столбчатый вид основания – это наиболее востребованные устройства для зданий из бруска
На сегодняшний день выделяют такие типы оснований для деревянного дома, которые имеют свои отличительные характеристики. Итак, давайте их рассмотрим:
- Ленточный фундамент – данный тип характерен поперечным сечением, равному форме и размеру всего строения. Чаще всего применяются при строительстве тяжелых больших зданий. Для работ применяются материалы: кирпичи, бетонные блоки и плитняки
- Столбчатый вид основания – это наиболее востребованные устройства для зданий из бруска. Для строительных работ понадобится минимальное количество материалов. По периметру участка нужно сделать шурфы через каждые два метра.
- Фундамент под деревянный дом плитного типа . Такое устройства набрало популярности в строительных проектах классического типа. Для выполнения процесса нужно большое количество бетона и арматурной сетки. Стоит отметить, что для совершения работ необходимо много физической силы.
Внимание! Весь строительный процесс – это объёмность и сложность работ, поэтому лучше всего доверить выполнения профессионалам. Ленточный тип самый легкий в установке, поэтому его можно сделать самостоятельно. Этим не может похвастаться столбчатый и плиточный фундамент.
Плюсы и минусы столбчатого типа

Столбчатый тип основания здания имеет конструкцию, подходящую для закладки под легкие или деревянные постройки
Столбчатый тип основания здания имеет конструкцию, подходящую для закладки под легкие или деревянные постройки, которые создают небольшую нагрузку на почву. Стоит отметить, что простота такого устройства никак не отображается на надежности опорной способности. Схематически вид фундамента напоминает систему столбов, установленных в точках наивысшего давления. Норма между столбами столбчатого строения – 2 метра.
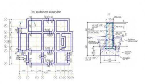
Глубина заложения фундамента под деревянный дом. Устройство фундамента для деревянного дома

Строительство деревянного дома начинается с проектирования и важным аспектом выступает ленточный фундамент под деревянный дом
Строительство начинается с ознакомления с правилами и требованиями. Среди нормативных документов особенно стоит выделить: ГОСТ 13580-85, СНиП 3.02.01-87, а также Руководство по проектированию оснований и фундаментов на пучнистых грунтах. Неплохо принять во внимание региональные акты, касающиеся работ по конкретному грунту, в них могут быть прямые указания на глубину залегания, другие параметры несущей основы.
Важно! Все рекомендации положений и норм относятся к ключевым моментам и требованиям к строительству. Частные дома отличаются не только размерами, этажностью и материалами, но и формой, от этого зависит устройство фундамента. Вариабельность допускается, однако в каждом конкретном случае необходимо учитывать, что по отношению к грунту фундамент должен быть выше на 5 см.
Выбирая несущее основание, стоит определить следующие моменты:
- Место расположения постройки – это является отправной точкой для всех изыскательских исследований. Важно не обустраивать жилище, где почва не отличается надежностью: вблизи водоема, реки. Ведь вы же не хотите, чтобы пол буквально ушел из-под ног. Более того, правильный расчет подводимых коммуникаций убережет строение от переделок.
- Размеры и этажность строения . Чем больше масса особняка, тем прочнее должна быть несущая основа. При этом увеличение количества этажей повышает вес нагрузки, а вот расширение площади строения никаких требований не имеет, так как нагрузка на единицу площади остается той же.
- Проектные документы обязательно должны учитывать наличие или необходимость подвала, цокольного этажа.
- Рельеф местности также важен. Большие неровности увеличивают необходимость выемки массивных объемов грунта из траншей, требуемых для ленточного фундамента.
Вид почвенного слоя, а также несущая способность определяются буквально «на глаз», достаточно посмотреть, как ведет себя почвенный слой после осадков:
- Глинистые грунты медленно впитывают воду, в периоды засухи покрываясь коркой;
- Суглинки хорошо принимают влагу, но сохнут по истечении 2-3 дней;
- Песок обладает предельно быстрой впитывающей способностью, поэтому приступать к первым этапам работ можно практически сразу;
- Торфяники сохнут долго, а трава на почвах с торфом практически не растет;
- Известняки быстро осушаются, отличаясь по цвету: это светло-серый оттенок почвы во время долгих засушливых дней.
По типажу почвы определяется несущая способность. Также на выбор фундамента влияют следующие факторы:
- Глубина залегания водоносного слоя говорит о наполненности водой. Наличие большого количества влаги недалеко от поверхности – гарант зимнего вспучивания грунта;
- Точка промерзания грунта определяет подошву фундамента, которая закладывается ниже этого уровня;
- Материал для строения. От него зависит расходная часть и сроки строительных работ;
- Эстетика конструкции зависит только от личных предпочтений.
Учет всех параметров позволит подобрать нужный тип фундамента.