Гипсоволокнистая плита для стен: все, что нужно знать о выборе и установке
- Гипсоволокнистая плита для стен: все, что нужно знать о выборе и установке
- Связанные вопросы и ответы
- Что такое гипсоволокнистая плита для стен
- Какие преимущества имеет гипсоволокнистая плита для стен
- Какие недостатки имеет гипсоволокнистая плита для стен
- Как выбрать гипсоволокнистую плиту для стен
- Как установить гипсоволокнистую плиту для стен
- Какие материалы необходимы для установки гипсоволокнистой плиты для стен
- Как готовить стену к установке гипсоволокнистой плиты
- Как обрабатывать гипсоволокнистую плиту для стен после установки
- Как устранить дефекты на гипсоволокнистой плите для стен
- Как устранить царапины и повреждения на гипсоволокнистой плите для стен
Гипсоволокнистая плита для стен: все, что нужно знать о выборе и установке
ГВЛ – гипсоволокнистый лист, является универсальным материалом для отделки. Его производят из гипса, волокон древесины, а также армирующей целлюлозы.
Лист ГВЛ влагостойкий подходит для выполнения следующих видов работ:
Лист ГВЛ влагостойкий
- с его помощью можно обшивать стены ;
- выполнять сухую стяжку полов ;
- шумоизолировать помещения;
- создавать декоративные конструкции ;
- обеспечивать огнезащиту ;
- облицовывать всевозможные конструкции;
- монтировать перегородки.
Главные компоненты, из которых изготавливают ГВЛ, – это строительный гипс, целлюлоза, а также добавки, придающие необходимые свойства. К примеру, целлюлозный наполнитель делает листы прочнее.
Визуально и по всем характеристикам ГВЛ напоминает обычный гипсокартонный лист. Однако технические параметры у данного материала намного лучше.
В открытом доступе только до 28 октября
10 критических ошибок в ремонте, которые делают смету дороже на 100%
В открытом доступе только до 28 октября
10 критических ошибок в ремонте, которые делают смету дороже на 100%
Ремонт в кризис: 5 лайфхаков на чем можно сэкономить
20 важных шагов, которые облегчат процесс ремонта
10 советов, чтобы сохранить нервы, время и деньги
Волокна целлюлозы сверхпрочные. Они часто используются в строительстве. Нити равномерно распушивают, подвергают спецобработке, а затем распределяют по материалу, таким образом они выполняют армирующую функцию. За счет добавления химических веществ удается создать влагостойкий ГВЛ, а также материал характеризуется устойчивостью к возгоранию.
Есть две разновидности таких листов:
- ГВЛ стандартные;
- ГВЛ влагостойкие.
Связанные вопросы и ответы:
Вопрос 1: Что такое гипсоволокнистая плита для стен
Ответ: Гипсоволокнистая плита для стен - это строительный материал, состоящий из гипсового слоя, находящегося между двумя слоями картона или бумаги. Этот материал широко используется для внутренней отделки стен и потолков, а также для создания перегородок и декоративных элементов.
Вопрос 2: Какие преимущества имеет гипсоволокнистая плита для стен
Ответ: Гипсоволокнистая плита для стен имеет ряд преимуществ, таких как лёгкость и удобство монтажа, звукоизоляционные свойства, устойчивость к влаге и грибкам, возможность легкого оштукатуривания и побелки, а также экологичность и безопасность при работе.
Вопрос 3: Какие виды гипсоволокнистых плит существуют
Ответ: Существует несколько типов гипсоволокнистых плит, таких как обычные гипсовые плиты, гипсовые плиты с повышенной звукоизоляцией, гипсовые плиты с повышенной огнестойкостью, гипсовые плиты с улучшенными влагозащитными свойствами и гипсовые плиты для наружных работ.
Вопрос 4: Как правильно монтировать гипсоволокнистую плиту для стен
Ответ: Монтаж гипсоволокнистой плиты для стен проводится следующим образом: сначала необходимо подготовку поверхности, на которую будет установлена плита. Затем на поверхность наносится клей, после чего плита устанавливается на место и фиксируется. Затем между плитами проводится шпаклевка, после чего плиты можно оштукатурить и побелить.
Вопрос 5: Как правильно обрабатывать гипсоволокнистую плиту для стен
Ответ: Гипсоволокнистая плита для стен может быть обработана различными способами, в зависимости от желаемого результата. Однако, как правило, после установки плиты их необходимо оштукатурить и побелить, чтобы получить гладкую и ровную поверхность. Кроме того, можно использовать различные краски и покрытия для получения желаемого эффекта.
Вопрос 6: Как обеспечить долговечность гипсоволокнистой плиты для стен
Ответ: Для обеспечения долговечности гипсоволокнистой плиты для стен необходимо соблюдать следующие правила: использовать качественные материалы и инструменты при монтаже плит, соблюдать правила укладки плит, обеспечивать правильную вентиляцию помещения, регулярно проводить мониторинг состояния плит и проводить ремонтные работы в случае обнаружения дефектов.
Что такое гипсоволокнистая плита для стен
Сегодня плита — доминантный отделочный материал, используемый для создания концептуальных оформительских сюжетов в новом строительстве, а также при реконструкции зданий. Он отлично подходит не только для обшивки деревянных плоскостей, но и самостоятельных тематических рекламных и других композиций внутри зданий. В этих случаях после дополнительной обработки поверхностей можно использовать керамическую плитку. Применение ГВЛ для пола создает уникальный температурный режим в помещениях. Более того, используют плиты по бетонным и деревянным поверхностям. А абсолютная негорючесть дает возможность обшивать плитой ограждающие конструкции мансард, дач, вестибюлей и других помещений. Плитами закрывают вертикальные шахты грузовых и пассажирских лифтов, а также применяют для оборудования чердаков. В последнем случае это производится с одновременным устройством активной вентиляции.
Гипсоволокнистая плита (ГВП) служит отличным материалом для сухой стяжки при устройстве полов, заменяя традиционный процесс укладки бетона. Это экономит время, деньги. Последние годы плитами отделывают стены гаражей, хозяйственных построек. Многие применяют для утепления промерзающих стеновых и других конструкций. ГВП находит применение при строительстве временных спортивных сооружений, залов для тренировок, комнат игр для детей, Материал выдерживает большие ударные силовые нагрузки и в случае попадания спортивного снаряда не теряет прежней жесткости.
Сегодня плита - доминантный отделочный материал, используемый для создания концептуальных оформительских сюжетов в новом строительстве, а также при реконструкции зданий.
Он отлично подходит не только для обшивки деревянных плоскостей, но и самостоятельных тематических рекламных и других композиций внутри зданий. В этих случаях после дополнительной обработки поверхностей можно использовать керамическую плитку.
Применение ГВЛ для пола создает уникальный температурный режим в помещениях. Более того, используют плиты по бетонным и деревянным поверхностям. Абсолютная негорючесть дает возможность обшивать плитой ограждающие конструкции мансард, дач, вестибюлей и других помещений.
Плитами закрывают вертикальные шахты грузовых и пассажирских лифтов, а также применяют для оборудования чердаков. В последнем случае это производится с одновременным устройством активной вентиляции.
Гипсоволокнистая плита (ГВП) служит отличным материалом для сухой стяжки при устройстве полов, заменяя традиционный процесс укладки бетона. Это экономит время, деньги.
Последние годы плитами отделывают стены гаражей, хозяйственных построек. Многие применяют для утепления промерзающих стеновых и других конструкций. ГВП находит применение при строительстве временных спортивных сооружений, залов для тренировок, комнат игр для детей, Материал выдерживает большие ударные силовые нагрузки и в случае попадания спортивного снаряда не теряет прежней жесткости.

Какие преимущества имеет гипсоволокнистая плита для стен
ГВЛВ обладает множеством достоинств, далее перечислим основные из них:
- Повышенная прочность , высокая степень вязкости. В материал можно легко вкрутить саморез, забить гвоздь. Обрабатывать его нужно специнструментами для дерева.
- Влагостойкий ГВЛ имеет низкую теплопроводность, его применяют для тепло- и шумоизоляции домов.
- Обладает огнеупорными свойствами . Поэтому его применяют для обшивки строений из древесины, а также систем инженерных коммуникаций. При возгорании лист остается на металлической обрешетке, не падает с нее.
- Достаточно легкий , поэтому его несложно перевозить и монтировать.
- Кромки листов получится обработать обычными строительными инструментами , которые есть у всех. Количество отходов небольшое.
- Материал прочный , с его помощью монтируют всевозможные элементы конструкции, такие как арки, пол, потолок.
- Листы не боятся резких скачков температуры , поэтому ГВЛ применяют для обшивки поверхностей в неотапливаемых помещениях.
- Обладает гигроскопичными свойствами . Листы вбирают в себя влагу из воздуха, после чего выделяют пары в окружающую среду.
- Повышенная несущая способность : если вкрутить саморез в лист, то он выдержит нагрузку до 30 кг.
- Гибкость .
- Устойчивость к воздействию низких минусовых температур . Также ГВЛ полностью экологичны и не выделяют токсичные вещества.
- Листы не скрипят , подходят для использования с системой теплого пола. Их можно укладывать на основу из древесины.

Преимущества и недостатки влагостойкого ГВЛ
Если использовать влагостойкий ГВЛ для стен или пола, не потребуется наносить на поверхность штукатурку.
Поэтому расходы на оплату работы отделочников снижаются, а ремонт будет закончен быстрее. Вы сможете сэкономить, при этом каркас сооружения получится облегченным. Микроклимат в помещении, отделанном с помощью такого материала, оптимальный для человека.
У влагостойкого ГВЛ есть минусы:
- Вес одного листа от 18 кг.
- Стоимость этого материала по сравнению с гипсокартоном будет выше.
- Важно придерживаться технологии укладки , в противном случае листы разломятся.
Какие недостатки имеет гипсоволокнистая плита для стен
Гипсоволокнистые листы — универсальный материал, идеально подходящий для выравнивания стен,изготовления перегородок и различных конструкций внутри помещений.
Выполненный из природного гипса и натуральной целлюлозы, абсолютно экологически чистый и безопасный для здоровья.
Дышащая структура листа обеспечивает оптимальную влажность, воздухообмени комфортный микроклимат в помещениях.

Рисунок 1. Стены облицованные ГВЛ.
ТОП 3 лучших товаров по мнению покупателей

Гипсоволокнистый лист Knauf/Кнауф Суперлист ФК влагостойкий 2500х1200х10 мм
639.00р.
Код товара 27Knauf Суперлист ФК - высококачественный, экологически чистый влагостойкий гипсокартон для сухого стр…..

Гипсоволокнистый лист Knauf/Кнауф Суперлист ФК влагостойкий 2500х1200х12.5 мм
739.00р.
Код товара 31Knauf Суперлист ФК - высококачественный, экологически чистый влагостойкий гипсокартон для сухого стр…..

Гипсоволокнистый лист Knauf/Кнауф Суперпол влагостойкий 1200х600х20 мм
415.00р.
Код товара 7Knauf Суперпол - представляет собой изделие заводской готовности к поэлементной сборке в к…..
Виды и достоинства ГВЛ
Гипсоволокнистые листы — прессованный материал с гомогенной структурой.
В продаже имеется два вида гипсоволокнистых листов: ГВЛ и ГВЛВ.
Для облицовки стен и устройства перегородок жилых комнат подойдут обычные гипсоволокнистые листы — ГВЛ.

Рисунок 2. ГВЛ Knauf .
В помещениях с повышенной влажностью нужно применять листы влагостойкие — ГВЛВ.
Возможно применения влагостойких гипсоволокнистых листов в ванных, неотапливаемых и сырых подвалах, гаражах, производственных и складских зданиях.
Листы ГВЛ выпускаются с прямыми и фальцевыми кромками.
Листы с фальцами предназначены для обшивки стен, с прямыми кромками используются при устройстве сухих стяжек пола.
Стандартные размеры ГВЛ для стен, в миллиметрах:
- ширина— 500, 1000, 1200;
- толщина ГВЛ — 10, 12, 15, 20;
Гипсоволокнистые листы значительно прочнее ГКЛ, за счет имеющихся в массе листа армирующих волокон целлюлозы, обладают множеством преимуществ:
- огнестойкий материал, не поддерживает горение;
- можно забивать гвозди и вкручивать шурупы;
- хорошо пилится ножовкой, болгаркой электрическим лобзиком, обрабатывается рубанком;
- не подвержен температурным расширениям;
- сокращает трудозатраты и сроки отделки;
- подходит под любые отделочные материалы;
- совместим со всеми видами клеев и шпаклевок;
- легко монтируются на деревянные и металлические каркасы, образую идеально ровную поверхность.
Недостатки ГВЛ:
- жесткие листы не подходят для облицовки криволинейных конструкций;
- высокая стоимость;
- большой вес, по сравнению с ГКЛ.
Способы монтажа
Гипсоволокнистые листы могут монтироваться на каркас из металлических профилей или деревянных брусков, а также непосредственно на стену, при помощи шпаклевки, монтажной пены или специальных клеевых смесей.
Металлический каркас превосходит дерево по многим техническим и эксплуатационным характеристикам:
- устойчив к внешним воздействиям, не поражается грибком, плесенью и вредителями;
- легко монтируется;
- не горит;
- не подвержен деформациям;
- прочен, надежен и долговечен.
Металлические профили подразделяются на направляющие и основные.
Горизонтальные направляющие профили маркируются буквами ПН. Это основа каркаса, к которой крепятся вертикальные основные стойки.
Основные стойки маркируются буквами ПС. На них навешиваются гипсоволокнистые листы.

Рисунок 3. Стоечный профиль вставлен в направляющий профиль.
Деревянный каркас дешевле металлического, но имеет ряд существенных недостатков:
- поражается вредителями и микроорганизмами:
- подвержен деформациям и усадкам:
Каркас нужен, для устройства утепления и звукоизоляции стен и перегородок, при значительных неровностях стен, для использования пространства для прокладки под обшивкой инженерных коммуникаций.
Как выбрать гипсоволокнистую плиту для стен
Плиты из гипсоволокна изготавливаются при помощи соединения гипса и волокон из целлюлозы, получаемой из обработанной макулатуры. Форму листа получают путём применения пресса. Под большим давлением составляющие сжимаются и превращаются в лист гипсоволокна. Хоть гипсокартон и является некоторым аналогом гипсоволокна, листы из ГВЛ отличаются куда большей прочностью и надежностью и обгоняют гипсокартон по многим показателям. Данные плиты применяются, когда необходимо выполнить работу по возведению прочных перегородок.
Плиты из гипсоволокна можно поделить на два основных вида: стандартные (ГВЛ) и влагостойкие (ГВЛВ). Также можно выделить плиты с кромкой в виде продольной прямой (обозначается как ПК) и кромкой с фальцем (маркируются как ФК). Листы же, у которых кромка отсутствует, маркируются под буквой К. Листы с прямой кромкой (ПК) применяются, когда необходима обшивка каркасных сооружений, то есть для стен и потолков. Стоит учесть, что для стыков таких плит необходимо применять армирование. Листы с фальцевой кромкой (ФК) представляют собой два склеенных листа, которые смещены по оси относительно друг друга примерно на 30-50 миллиметров.
Основные плюсы ГВЛ
- Такой материал является экологически чистым, потому что имеет в своём составе только целлюлозу и гипс. По этой причине гипсоволокно не выделяет никаких вредных веществ и является абсолютно безвредным для человека материалом.
- Листы ГВЛ очень устойчивы к температурным изменениям, поэтому их можно использовать даже в холодном помещении.
- Такой материал является отличным шумоизолятором. Часто с применением ГВЛ изготавливают специальные экраны для отражения посторонних шумов.
- Гипсоволокно очень хорошо переносит влагу, поэтому его можно применять даже при отделке ванной комнаты или кухни.
- Материал очень устойчив к огню, что снижает вероятность возникновения пожара.
- Гипсоволокно можно подогнать под любые размеры путём его обрезания. Такой материал не крошится, и в него, при необходимости, можно смело вбивать гвозди или вкручивать шурупы.
- ГВЛ также является хорошим утеплителем, так как имеет низкую теплопроводность. Плиты из гипсоволокна способны долго удерживать тепло в помещении.
Стандартные размеры
ГОСТом предусмотрены различные размеры плит ГВЛ по длине, ширине и толщине. В частности, по толщине предусмотрены следующие варианты размеров: 5, 10, 12,5, 18 и 20 мм. По ширине выделяют размеры 500, 1000 и 1200 мм. Длина ГВЛ представлена такими стандартами: 1500, 2000, 2500, 2700 и 3000 мм.
Иногда выпускаются плиты и нестандартных размеров , например, 1200x600x12 или 1200х600х20 мм. При необходимости закупить значительное количество нестандартной продукции иногда оказывается проще заказать ее напрямую у производителя, чем найти в готовом виде в магазине
Вес
Единственный недостаток ГВЛ заключается в том, что это – довольно тяжелый материал, особенно по сравнению с родственным ему гипсокартоном. Например, плита размерами 10 на 1200 на 2500 мм весит примерно 36-37 кг. Поэтому при монтаже ГВЛ нужны довольно прочные профили, не говоря уж о по-настоящему крепких мужских руках. Крепление таких плит на стены требует наличия прочного каркаса. Иногда вместо него применяются бруски из древесины.
Плиты небольших размеров можно закрепить на стены и без помощи каркаса. Их монтаж можно осуществить при помощи специального клея.
Как установить гипсоволокнистую плиту для стен
Монтаж своими руками гипсоволокнистых листов на стены может быть выполнен при помощи двух методов: бескаркасного и каркасного. В первом случае плиты ГВЛ приклеиваются к поверхности, во втором сначала своими руками устанавливают специальный каркас, к которому и прикручиваются листы. Рассмотрим подробнее оба метода укладки.
Бескаркасный монтаж своими руками

Этапы укладки гвл на пол
Для листов ГВЛ бескаркасный метод применяется редко, но для стен жилых помещений именно гипсоволокнистые плиты являются наиболее предпочтительным вариантом. Установка таким методом осуществляется в следующей последовательности:
- При неровности стен до 4 мм листы необходимо приклеивать прямо на поверхность стен с помощью гипсовой шпаклевки, которая наносится продольными грядами довольно тонким слоем по периметру плиты ГВЛ, после чего лист приклеивается к стене.
- Если неровности составляют 4-20 мм, укладка листов производится при помощи специального клея, например, «Перфликс». Состав наносится на поверхность ГВЛ по середине и по периметру плиты с шагом в 30-35 сантиметров.
- Если неровности очень большие, от 20 до 40 мм, то монтаж является более сложным. Сначала своими руками при помощи специального клея на поверхность стен приклеиваются полосы из ГВЛ с шириной в 100 мм, а уже потом к ним клеятся сами плиты при помощи гипсовой шпаклевки.
Монтаж бескаркасным методом осуществляется таким образом:
Схема крепления гипсокартона на клей.
- Установку необходимо осуществлять до того, как будет настилаться финишное напольное покрытие. Температура в помещении должна составлять от + 10°C. Сами листы следует перед работой выдержать в помещении, где будет происходить установка, два-три дня. Влажностно-температурный режим должен сохраняться на период всего монтажа; для очень влажных помещений, таких как санузлы, лучше применять гипсокартонные влагоустойчивые плиты.
- При необходимости стены надо подготовить, очистить их от остатков старого покрытия. Если поверхность расслаивается, то следует принять меры по укреплению. Стену шпаклюют, она должна высохнуть, после чего можно приступать к монтажу.
- После того как шпаклевание будет закончено, следует поправить при помощи строительного уровня вертикальность стен, наличие неровностей (от этого зависит выбор способа укладки). На поверхность наносится разметка расположения плит. При необходимости стены обрабатываются грунтовкой.
- Плиты ГВЛ раскраиваются, в них прорезаются отверстия под выключатели, розетки. Высота каждого куска должна быть такой, чтобы внизу был зазор в 8-12 мм. После монтажа больших плит, внизу устанавливают небольшие отрезки, перекрывающие зазоры. Для подстраховки листы можно к поверхности стены прикрутить саморезами.
- Сами плиты ГВЛ приклеивают на стену при помощи специальных составов согласно выбранному способу. Делают это калибрующим зубчатым шпателем, после нанесения смеси лист выравнивается при помощи киянки. Если на поверхность стены планируется крепление какой-либо мебели, то клей надо нанести на всю поверхность ГВЛ.
- Следует наносить клей ровным слоем, постоянно следить за соблюдением одного уровня укладки. Делают это обычно при помощи натянутой нити. Сам монтаж своими руками начинается от угла. Постепенно по периметру оклеивается все помещение. Для облицовки стены из дерева все листы дополнительно крепятся саморезами либо толевыми гвоздями с очень широкими шляпками.
Какие материалы необходимы для установки гипсоволокнистой плиты для стен
Известны два вида гипсоволокнистых листов (ГВЛ), разница между ними заключается в способе изготовления и свойствах. Одни пригодны для помещений с высокой влажностью, другими обшивают прочие стены. Влагостойкие листы (ГВЛВ) имеют пропитки, которые защищают изделия от воды и пара. Область их применения – неотапливаемые помещения, ванные, кухни. Невлагостойкие ГВЛ используются в сухих помещениях.
Основой плит является гипс – довольно хрупкий материал, поэтому для повышения прочности при производстве дополнительно используется целлюлоза и армирующие добавки. ГВЛ для стен отличается от гипсокартона: при его изготовлении не проводится картонное покрытие. Прочность ГВЛ намного больше гипсокартона. Во многих случаях гипсоволоконные плиты просто незаменимы при отделке стен, особенно в неотапливаемых помещениях. Они не утрачивают свойств при многократном промерзании и размораживании.
Среди других достоинств ГВЛ отмечают повышенную огнестойкость. Покрытие стен из дерева гипсоволокнистыми плитами повышает их пожаробезопасность. В материале отсутствуют вредные для здоровья человека примеси. Грибки, плесень не находят в них питательной среды, грызунов они также не интересуют. Изделия очень прочные, теплые на ощупь, хорошо изолируют звуки, предохраняют от потери тепла.
ГВЛ бывает стандартных и малоформатных размеров. Стандартные 2500×1200 мм, толщиной 10 или 12 мм. Малоформатные делают 1500×1000 мм той же толщины. Они удобны в малогабаритных помещениях: ванной, туалете. С обратной стороны наносится маркировка, указывающая на свойства изделия. Буква А в маркировке говорит о высоком качестве.
Данные изделия поставляются на рынок многими предприятиями, производящими стройматериалы. Выбирать следует продукцию известных производителей. Визуальный осмотр также поможет составить представление о продукте. Поверхность должна быть без повреждений, не иметь неровностей. Покупать следует в магазинах, имеющих сухие склады, где товар хранился в надлежащих условиях.
Среди прочих достоинств гипсоволоконных плит следует отметить и такие:
- под ними прячут строительные дефекты и коммуникации;
- прессованные листы очень прочные и вязкие, в них надежно крепятся гвозди и шурупы;
- материал поддается обработке столярными инструментами подобно древесине;
- поверхность окрашивают, оклеивают обоями, облицовывают плиткой.
Как готовить стену к установке гипсоволокнистой плиты
- все старые покрытия убираются до основания. Требуется как можно меньшее взаимодействие элемента с другими строительными материалами;
- если основание бетонное, то нужно тщательно удалить все элементы, которые уже начали отслаиваться. Чтобы поверхность для работы с ГВЛ была без заметных изъянов;
- если получилось так, что бетонных плит несколько на одной поверхности, потребуется дополнительная работа со швами. Их нужно полностью устранить. В любом строительном магазине можно легко найти пластичные составы последнего поколения. Они отлично могут заполнить пробелы. Как шпаклевать ГВЛ рассматривается далее.
Помимо внутренней обработки стен в помещениях, листы гипсоволокна отлично подходят и для наружных работ. Существует немало особенностей при облицовке стен ГВЛ. Их можно просто приклеить к стене, а можно закрепить на профили.
Если выбран бескаркасный вариант облицовки, то стыки заделываются специальным материалом. Шпаклёвка с нужной маркировкой есть во всех магазинах строительных материалов. При такой отделке не потребуется армирующая лента.
Но чтобы пропустить этот этап работ, можно сразу позаботиться об этом. Широкий ассортимент различных видов предоставляется в магазинах стройматериалов. Помимо основных характеристик стойкость к влаге, низкая горючесть и высокая теплоизоляция, они есть со шлифованной поверхностью и обычная. А кромки могут быть с фаской и без них. Если края с фаской, то стыки намного прочнее и незаметнее. Для этих швов тоже не потребуется армирующая лента.
Как обрабатывать гипсоволокнистую плиту для стен после установки
Гипсоволокнистый лист (ГВЛ) — это уникальный строительный материал, не имеющий аналогов в мире сухого строительства. Этот материал отличается особыми характеристиками прочности и долговечности, благодаря чему активно используется для облицовывания стен, полов и других элементов интерьера.
В нашей статье мы подробно рассмотрим применение ГВЛ в дизайне интерьера, исследуя его особенности и преимущества.

Что такое гвл?
Гипсоволокнистый лист (ГВЛ) — это строительный материал, созданный из гипсовой массы с добавлением древесного волокна. Это высококачественная плита из натуральных материалов, которая получается в результате прессования смеси под высоким давлением.
В отличие от гипсокартона, ГВЛ не имеет картонной оболочки, что делает его более устойчивым к влаге и механическим воздействиям. ГВЛ широко используется в строительстве и отделке помещений за счет своей прочности, долговечности и легкости в обработке.

Характеристика материала
Гипсоволокнистый лист (ГВЛ) обладает рядом уникальных характеристик, благодаря которым он привлекателен для использования в строительстве и отделке:
- Прочность и долговечность. ГВЛ является очень прочным материалом, устойчивым к механическим воздействиям, что позволяет его использовать в местах с высокой нагрузкой.
- Влагостойкость. В отличие от гипсокартона, ГВЛ не боится воды и высокой влажности, что делает его идеальным материалом для отделки ванных комнат, кухонь и других «мокрых» зон.
- Огнестойкость. Материал обладает высокой огнестойкостью, что обеспечивает дополнительную безопасность помещения.
- Звукоизоляция. ГВЛ обладает хорошими звукоизолирующими свойствами, благодаря чему он помогает создать комфортные условия в помещении.
- Экологичность. Материал изготавливается из натуральных компонентов и не выделяет вредных веществ, что делает его безопасным для здоровья человека.
- Легкость в обработке. ГВЛ легко режется, шлифуется и крепится, что упрощает процесс его установки и позволяет экономить время на отделку.
- Ровная поверхность. ГВЛ обладает гладкой и ровной поверхностью, что упрощает процесс отделки и обеспечивает идеально гладкую поверхность для нанесения краски или обоев.
Как устранить дефекты на гипсоволокнистой плите для стен
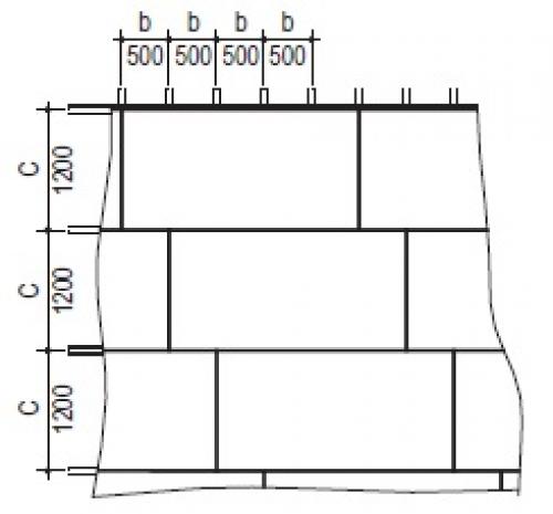
Крепление гипсовых строительных плит и гипсоволокнистых листов к профилям (брускам) осуществляется, в основном, поперек несущих профилей. Для удобства последующего шпаклевания рекомендуется с листов, примыкающих длиной стороной к стене, предварительно срезать продольную кромку.
Листы гипсокартона подгоняются друг к другу и соединяются с каркасом шурупами. При этом не должна допускаться деформация плит. Смежные листы при монтаже подвесного потолка должны монтироваться вразбежку со смещением друг относительно друга не менее чем на шаг несущего профиля.
С торцевых кромок плит, не оклеенных картоном, при помощи кромочного рубанка или канцелярского ножа необходимо снять фаску под углом порядка 22,5° на глубину 2/3 толщины листа.
При креплении к каркасу самонарезающие шурупы (саморезы) располагать с шагом 150 мм вразбежку на смежных листах на расстоянии:
- Для гипсовых строительных плит не менее 10 мм от оклеенного картоном края листа и не менее 15 мм от обрезанного.
- Для гипсоволокнистых листов не менее 10 мм от края листа.
- При применении гипсоволокнистых листов толщиной 12,5 мм шаг шурупов увеличивается до 200 мм.
Используя ГКЛ применяют самонарезающий шуруп TN, для гипсоволокнистых листов – самонарезающий шуруп MN.
Крепежные шурупы должны входить в гипсовую строительную плиту или ГВЛ под прямым углом и проникать в металлический профиль каркаса на глубину не менее 10 мм (в деревянный брус – не менее 20 мм). Головки шурупов должны быть утоплены на глубину около 1 мм с целью их последующей заделки шпаклевкой.
| Правильная установка шурупа | Неправильная установка шурупа |
| Правильное крепление к профилю гипсовой строительной плиты | Неправильное крепление к профилю гипсовой строительной плиты |
| Правильное крепление гипсоволокнистого листа с кромкой ПК к профилю | Правильное крепление гипсоволокнистого листа с кромкой ФК к профилю |
Стыковать торцевые кромки гипсовых или гипсоволокнистых плит следует только на несущих профилях каркаса. Стыки с фальцевой кромкой выполнять без зазоров, а с прямой кромкой – с зазором 5 — 7 мм.
Картон в местах закручивания шурупов не должен быть растрепан. Деформированные или ошибочно размещенные шурупы должны быть удалены, заменены новыми, которые необходимо расположить на расстоянии не менее 50 мм от предыдущего места крепления.
В условиях повышенной влажности (санузлы, кухни) рекомендуется использовать влагостойкий гипсокартон или гипсоволокнистые листы.
Соблюдение данных правил по монтажу гарантирует качество и целостность поверхности вашего потолка.
Как устранить царапины и повреждения на гипсоволокнистой плите для стен
Прежде чем попытаться убрать повреждение на потолке, необходимо выполнить небольшую подготовку. Шанс исправить трещину на потолке из гипсокартона появится только в том случае, если будет остановлено ее распространение.
Если линия вышла на кромку листа гипсокартона, то в этой части просто заклеиваем временно скотчем, после чего ищем и находим окончание трещины. Тонким сверлом диаметром 3 мм просверливаем точку остановки линии повреждения.
Разделка поврежденного участка
Следующим этапом необходимо увеличить ширину трещины, то есть выполнить её разделку. Это достаточно простая процедура, требующая аккуратности и терпения. Просто так замазать поврежденный участок шпаклёвкой и тем самым исправить трещину на потолке из гипсокартона не получится. Во-первых, вязкий материал не проникнет глубоко внутрь трещины, а во-вторых, материал гипсокартона быстро вытащит воду из ремонтного состава, и прочность шва получится достаточно низкой.
Разделку выполняют тонким острым ножом. Края трещины расширяются до 3-4 мм и увеличивают наклон стен до 60о. После разделки сечение трещины приобретает клиновидную форму.
Если есть возможность, то лучше всего аккуратно снять лист гипсокартнона с несущего каркаса. В этом случае можно выполнить аналогичную разделку с обратной стороны листа. Двойная разделка считается более удобной и надежной.
Как заделать трещину на потолке из гипсокартона
Убрать трещину с потолка сложнее, чем со стены, и тем более с поверхности снятого и уложенного на стол листа гипсокартона. Проблема ремонта заключается в том, что даже после тщательной заделки и замазывания ремонтным составом материал шпаклевки еще достаточно долго, 20-30 минут, будет находиться в пластичном состоянии. Поэтому закладка из гипсовой шпаклевки отойдёт от поверхности гипсокартона.
Важно! Место повреждения обязательно грунтуем и сушим как минимум 12 часов.
Ремонт обычно выполняется в два этапа. Первоначально закладывают в трещину шпаклевочную массу, тщательно продавливают её и затирают шпателем. Сразу же, без паузы, в трещину закладывают тонкую ленточку, шириной 4-5 мм, отрезанную от малярной сетки серпянки. Края уложенной ленточки заделывают в просверленные отверстия на концах трещины.
Примерно через 40 минут процедуру замазывания нужно повторить. Предварительно нужно убрать остатки старой массы, оставшиеся на краях канавки. После чего наносится свежий слой ремонтной шпаклевки и укладывается ещё одна лента, на этот раз шириной не менее 40 мм.
После того как ремонтная закладка высохла, места повреждения шпаклюются повторно, в этот раз с использованием финишной массы. И напоследок, чтобы убрать следы ремонта, поверхность гипсокартона шлифуется тонкой наждачной сеточкой.
Как убрать серьезные трещины с потолка
Небольшая трещина длиной 20-30 см не представляет особой проблемы, ее несложно заклеить или даже заделать «Жидкими гвоздями», акриловым «Моментом» или любым другим аналогичным материалом.
Чаще всего ситуация с гипсокартоном на потолке значительно серьезнее. Если дом деревянный, построен на «плывуне», или двухскатная крыша на коробке здания поставлена неправильно, то потолочное перекрытие будет регулярно скручивать. В результате гипсокартон на потолке периодически будет скрипеть и покрываться трещинами.
Длина таких повреждений может составлять в среднем от 30 см до 1,5 м. В этом случае серпянка и шпаклевка просто не помогут, их прочности будет недостаточно для того, чтобы убрать или компенсировать напряжение в толще гипсокартона.
В этом случае убрать трещину на гипсокартонном потолке можно специальной армирующей лентой по типу «американки». Наличие вдоль боковых краев двухрядной перфорации и очень плотная, прочная основа легко выдерживает самые сильные нагрузки. «Американка» очень удобна при работе с гипсокартоном именно в случаях, когда нужно убрать повреждения или заделать стыки.
Перед укладкой материала трещину обязательно проклеивают массой на основе гипса с добавлением акрила. Как вариант, можно использовать любой подходящий клей, но обязательно на акриловой основе. Поврежденное место на потолке затирают клеящей массой, далее можно наносить финишную шпаклевку и лепить армирующую ленту.
Как заделать трещину на стене из гипсокартона
Убрать повреждения на на поверхности гипсокартонных стен вполне возможно по той же методике, что и в случае ремонта потолка. Аналогичным образом выполняется сверловка и разделка трещин, а так как стеновой гипсокартон толще, чем листы для потолка, то размеры канавки желательно делать больше, примерно 1,5-2 см в ширину.