Как подключить двухконтурный газовый котел к отоплению. Установка двухконтурных котлов
- Как подключить двухконтурный газовый котел к отоплению. Установка двухконтурных котлов
- Подключение газового котла к электрической сети. Этапы подключения газовых котлов
- Как подключить двухконтурный котел vaillant. Настройки и регулировки котлов Вайлант
- Подключение одноконтурного газового котла. Схемы подключения газовых котлов
- Видео схема подключения газового котла. Подключение настенного котла
Как подключить двухконтурный газовый котел к отоплению. Установка двухконтурных котлов
В большинстве случаев установку этого котла выполняют специалисты газовой службы. Однако этот процесс стоит денег. Поэтому монтаж и подключение двухконтурного газового котла к отопительной системе часто решают осуществить владельцы домов. Современные правила позволяют выполнять такие действия. Правда, при этом нужно соблюсти ряд требований, а также не браться за подключение к газопроводу.
Весь процесс установки двухконтурного газового котла в доме можно разделить на такие этапы:
- Монтаж на стену или пол.
- Подключение системы отопления и системы ГВС.
- Подключение к газопроводу.
Газовый агрегат нужно размещать внутри отдельного помещения. которое соответствует таким требованиям:
- Имеется окно, которое можно открыть в любой момент.
- Наличие действующей вентиляции.
- Наличие газовой и водопроводных труб.
- Наличие розетки для обеспечения работы циркуляционного насоса и электроники. Конечно, она должна быть концом отдельной ветви, которая отходит от электрического щитка. Этот кабель должен быть подключен к отдельному защитному автомату. Кроме этого обязательным является заземление.
Также есть требования относительно правильности размещения котла в доме. Они такие:
- Расстояние между главным элементом системы отопления и другими газовыми приборами должно превышать 20 см.
- Вблизи не должно быть окна.
- Дистанция между котлом и розеткой должна составлять как минимум 0,5 м (по крайней мере, такие рекомендации дают производители). Вообще, чем дальше розетка от котла, тем лучше. Стоит добавить, что некоторые модели имеют кабель питания без вилки. Это означает, что провод нужно подключать своими руками сразу к размещенному в электрощитке автоматическому выключателю.
- Пространство между боковыми стенками котла и прилегающими стенами или предметами должно быть больше 15 см.
- Стена, на которую или вблизи которой проводится монтаж котла, должна быть прочной и покрытой невоспламеняющимися веществами. Если стена такая, которая может загореться, ее следует покрыть как минимум 3-мм негорючим материалом. Об этом часто отмечают в различных

Этот процесс выполняют в такой последовательности:
- Проводят своими руками монтаж шаровых кранов на патрубки котла . Для обеспечения герметизации на резьбу на патрубках наматывают паклю, фум-ленту или нить. Стоить добавить, что перед фиксацией запорной арматуры или фильтров всегда нужно наматывать один из этих элементов на резьбу металлических труб. Если планируется использовать полипропиленовые или металлопластиковые трубы, то придется проводить пайку и применять специальные фитинги. Особенности этих процессов можно узнать в различных видео.
- Подключают к одному крану трубу для подачи теплоносителя в установленную в доме систему отопления.
- При необходимости монтируют группу безопасности.
- На обратной трубе системы отопления ставят расширительный бачок (конечно, если в нем есть необходимость).
- Проводят монтаж шарового крана и фильтра очистки воды. Последний нужно монтировать на горизонтальный отрезок трубопровода. Можно и на вертикальную трубу, однако, в этом случае придется использовать специальный вариант фильтра. Его устанавливают в таком положении, чтобы направление изображенной на нем стрелочки совпадало с направлением движения теплоносителя.
- После фильтра ставят второй шаровой кран. Эти краны необходимы для облегчения чистки фильтра. Их перекрывают своими руками и чистят фильтр.
- Подключают обратную трубу от системы отопления к котлу.
- Подключают «горячую» трубу ГВС до крана, расположенного на нужном патрубке.
- В обратную линию от ГВС врезают водопроводную трубу. Конечно, в начале этой трубы ставят шаровой кран. Он остановит приток холодной воды после заполнения ею всей установленной в частном доме отопительной системы и ГВС.
- На обратную трубу от ГВС перед входом в котел ставят шаровой кран, фильтр очистки воды, магнитный фильтр и шаровой кран.
Подключение газового котла к электрической сети. Этапы подключения газовых котлов
Схема подключения газового котла к системе отопления довольно сложная, трудоёмкая и предполагает определённых знаний и опыта. Газовые котлы с каждым поколением становятся всё более высокоэффективными, безопасными, автоматика и регулировка усложняется. Большое распространение нашли универсальные котлы, которые не только отапливают помещение, но и греют воду.
Изготовители разрабатывают памятки и инструкции, где объясняют, как правильно выполнить подключение двухконтурного газового котла к системе отопления. Несмотря на сложности, разобраться с этапами монтажа можно самостоятельно. Это гораздо экономически выгоднее, ведь монтажные работы стоят очень не дешево.
Чтобы разобраться, как подключить газовый котел, следует разбить все действия на несколько этапов:
- монтаж агрегата (или крепление на стену, если это настенный вариант);
- работы по подсоединению водяного отопительного контура;
- подключение к водоснабжению (двухконтурных отопительных агрегатов);
- подключение к газопроводу;
- пусконаладочные работы.
Чтобы работа котла была безопасной и эффективной, нужно разобраться в особенностях каждого этапа.

Перед тем, как начать монтаж, нужно приобрести все необходимые расходные материалы, определиться, какими трубами подключать газовый котел и выяснить, к какому типу он относится:
- Одноконтурный котёл. Имеет один теплообменник и предназначен только для отопления.
- Двухконтурный котёл. Обслуживает два теплообменника: в одном циркулирует теплоноситель для водяного отопительного контура, второй предназначен для решения проблемы горячего водоснабжения. В летний период основной контур отключают. Подключение двухконтурного котла своими руками требует внимательности.
Системы отопления тоже бывают разными: закрытого или открытого типов. Теплоноситель может циркулировать принудительно либо самотёком. Однако принципы подключения котлов к отопительным системам одинаковые.

Очень простые в монтаже настенные газовые аппараты. Они небольшие по размерам и идут полностью со всей необходимой комплектацией, которые впоследствии понадобятся при монтаже. Для безопасной эксплуатации многие современные газовые агрегаты оснащаются специальными датчиками, которые сигнализируют о неполадках в системе. Это позволяет вовремя устранить небольшие поломки и этим избежать серьёзного и затратного ремонта всей системы. Поэтому котлы, которые с первого взгляда кажутся сложными в обслуживании, на самом деле, значительно экономят средства на их ремонте.
Как подключить двухконтурный котел vaillant. Настройки и регулировки котлов Вайлант
Почему появляются ошибки в котлах Vaillant и как можно их исправить
в подразделе Котлы (который является частью раздела Отопительное оборудование).
Компания Vaillant поставляет в Россию огромный ассортимент техники для отопления и снабжения горячей водой. Котлы от Vaillant– это новейшие немецкие двухконтурные котлы для подогрева воды. Данные устройства работают от газоснабжения и включают в себя такие виды котлов, как настенные и напольные.
Преимущества
- Быстрый нагрев воды
- Компактность, малый вес, эргономичность дизайна
- Надежность и простота
- Хорошая подача тепла
- Малая энергозатратность
- Безопасность
- Интеллектуальная система управления, встроенные датчики
Недостатки
- Достаточно высокая цена аппарата
- Нет внутреннего бойлера, что неудобно при нерегулярных подачах воды
- Нагревается проточная вода, поэтому тратится больше газа
- Панель управления котлом открыта, что опасно, если ваше чадо решит поиграть с кнопочками и кранами
- Если отключают электроэнергию, котел перестает работать
Основные коды ошибок котла вайлант
Ни один предмет техники не работает безупречно. Так и котел Вайлант имеет свои сбои в работе. Время от времени возникают ошибки котла, которые появляются от внешних причин, не зависящих от владельца или самого устройства.
Все коды ошибок котла Вайлант появляются на встроенном дисплее. Каждый код обозначает определенную ошибку.
Напольные газовые котлы Vaillant
— Не запускается котел вайлант: ошибка f28
При данной ошибке котел просто не разжигается, аппарат не запускается.
Причины:
- Нарушен процесс подачи газа: неисправность счетчика газа, газ перенасыщен воздухом, газ поступает в недостаточном количестве, вентиль подачи газа закрыт
- Поломка в главном газовом магните
- Ошибки при подключении к газопроводу, что объясняется попытками самостоятельно установить котел
- Трансформатор розжига работает нестабильно
- Разрывы кабелей
— Ошибка f75
Эта ошибка возникает после того, как система попытается 5 раз запустить насос, а давление выше 50 мбар не повышается.
Это вайлант котел ошибка f75, ниже рассмотрим причины.
Причины:
- Заполнение системы отопления воздухом
- Неисправность датчика давления воды
- Поломка самого насоса
- Внутри котла давление воды недостаточно
- Расширительный бак подключен к линии подачи
Ошибка расшифровывается как «сухой ход».
Причины:
- Недостаточное количество воды в устройстве
- Кабель, подходящий к насосу, неисправен
- Неполадки в самом насосе
- Циркуляция воды недостаточна
- Датчик NTC сломан
- Электроплата котла пришла в негодность
— Ошибка f33
Котел вайлант ошибка f22: через полчаса после включения режима отопления, реле не замыкает контакт в газо-воздушном тракте.
Причины:
Реле просто не подает сигнал и не разрывает контакт после того, как выключилась система охлаждения
Безопасность котлов Вайлант
Каждый котел производства Вайлант оборудуется тремя датчиками безопасности. А некоторые модели имеют даже больше датчиков.
- Первый – датчик пламени. Как только газ тухнет в котле, газ моментально перекрывается.
- Второй датчик – отвод газа. Контроль за безопасным выходом газа и отводом продуктов сгорания.
- Третий датчик – температурный. Данный датчик не дает перегреваться всем элементам котла.
Советы перед покупкой устройства
Определитесь, какой вид котла вам нужен – настенный или напольный. Напольный очень требователен к месту расположения и технике безопасностиРассчитайте мощность потребления, котел не должен работать на пределе возможностей, берите с запасом
Ориентируйтесь на качество воды в вашем регионе. От неё зависит срок службы материалов, из которых сделан котел.
Выбирая котел стоит учесть качество воды в вашем регионе, т.к. от нее зависит время службы устройства
Итог
Газовые котлы Вайлант – это прекрасное приобретение для отопления и нагрева воды, они по-немецки надежны и просты в эксплуатации. Энергии на котел расходуется очень немного. Установленные датчики не позволят котлу износиться раньше времени, так что можете не сомневаться в долгосрочности его использования. Удобен при ограниченном пространстве. Поставщики предлагают котлы двух видов – настенные и напольные.
Подключение одноконтурного газового котла. Схемы подключения газовых котлов
Схема отличается у одноконтурных и двухконтурных котлов.
Одноконтурные

Такой прибор имеет один теплообменник, использующийся для нагрева теплоносителя.
С его помощью невозможно подготовить воду для горячего водоснабжения (бытовых нужд). Они предназначены только для обогрева жилого помещения.
Агрегаты различаются на настенные и напольные по принципу установки. Разница заключается в мощности.
У первых она ограничена — 100 кВт , для напольных лимита практически не существует.
Настенные
- Прикрепление производится с помощью специальных кронштейнов.
Важно! Обязательно должен быть зазор между агрегатом и стеной размером от 30 до 50 см.
- Проверка наличия тяги в выходном патрубке агрегата проводится перед тем, как соединить с дымоходом. Диаметр входного отверстия должен соответствовать диаметру трубы у дымоотвода. Соединения должны быть герметичными.
- Для предотвращения засора теплообменника на патрубке котла устанавливается система смягчения воды.
- Перед подключением к системе отопления необходима опрессовка агрегата.
- При помощи гибкого шланга и паронитовых прокладок происходит подсоединение к газовой магистрали.

Фото 1. Схема подключения одноконтурного настенного котла к системе отопления с циркуляционным насосом и водонагревателем.
Напольные
- Установка прибора происходит на специально подготовленное и расчищенное место.
- Проделывается отверстие для дымохода (если его нет) и проверяется совпадение размеров диаметров обоих выходов (как дымоотвода, так и дымохода).
- Устанавливается фильтр для смягчения воды.
- Котёл присоединяется к отопительной системе и газовой магистрали.
Внимание! Из-за возможной опасности работ подключение настенных и напольных агрегатов к газовой магистрали рекомендуется поручить специалисту.
Герметичность соединений актуальна для обоих видов устройств.
Двухконтурные
Двухконтурные приборы отличаются присутствием 2 магистралей. Вторая линия предназначена для обогрева воды для бытовых нужд, что позволяет отказаться от использования бойлера.
Настенные
Схема подключения настенных двухконтурных котлов не сильно отличается от одноконтурных. Однако здесь происходит подсоединение уже четырёх (а не двух) патрубков , пара из которых задействована для обогрева воды на хознужды.

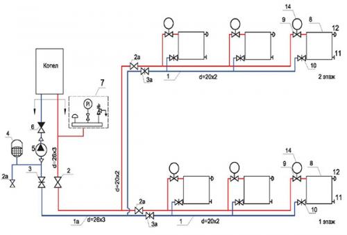
Фото 2. Схема подключения настенного двухконтурного котла отопительной системы для частного двухэтажного дома.
Напольные
Подключение напольного двухконтурного типа аналогично одноконтурному, опять же учитывая наличие и подключение второй пары патрубков.
