Как подключить счетчик электроэнергии. Установка электросчетчика и модульного оборудования
- Как подключить счетчик электроэнергии. Установка электросчетчика и модульного оборудования
 - Подключение электросчетчика на даче. Как правильно провести подключение электросчетчика своими руками
 - Как подключить электросчетчик Энергомера. Однофазный счётчик электроэнергии – Энергомера СЕ101
 - Как подключить двухтарифный счётчик. Принцип снятия и расчёта израсходованной энергии
 - Фазировка однофазного счетчика. Подключение счетчика: правила и основные требования
 - Подключение счетчика меркурий 230. «Меркурий 230»: схема подключения
 - Видео как подключить счетчик электроэнергии
 
Как подключить счетчик электроэнергии. Установка электросчетчика и модульного оборудования
Согласно ПУЭ, перед прибором учета (счетчиком электроэнергии), должно быть установлено защитное отключающее устройство. Как правило, в большинстве случаев, таким устройством является двухполюсный автоматический выключатель. В схеме подключения счетчика, он выполняет следующие функции:
1. Защита электросчетчика
- от короткого замыкания,
 - от возгорания, в следствии превышения допустимой нагрузки, на которую рассчитан счетчик,
 - возможность выполнить работы по замене, обслуживанию счетчика
 
2. Ограничение разрешенной мощности (регулируется номиналом автоматического выключателя)
При необходимости, вы можете более подробно почитать про бытовые автоматические выключатели.
В нашем примере, вводное защитное устройство, будет устанавливаться непосредственно в квартирном щитке, боксе. Так же, в некоторых случаях, оно может быть установлено в этажном щитке, на лестничной площадке. Здесь, основным критерием, является метод и возможность пломбировки.
Пломбировке подлежит все, что находиться в боксе. Если у обслуживающей организации, имеется возможность опломбировать автоматический выключатель, то он монтируется в бокс, если нет, то в этажный щит. Автомат пломбируется специальными наклейками, которые клеятся на винты контактов, сверху и снизу автоматического выключателя. Счетчик, пломбируется пластиковыми или свинцовыми пломбами.
Ну что же, с пломбировкой мы разобрались, вернемся к установке электросчетчика.
Начнем, с монтажа вводного двухполюсного автоматического выключателя. С помощью специальной защелки, имеющийся на задней стенке автомата, устанавливаем его на верхнюю дин рейку.
Более подробно, о подключении автоматического выключателя, можно почитать в соответствующей инструкции.
Следующим этапом, идет установка счетчика электроэнергии.
На его задней стенке, так же как и на автомате, имеется защелка для крепления на дин рейку.
Теперь, монтируем отходящие однополюсные автоматы. В нашем примере, их будет два.
Установка счетчика электроэнергии модульного оборудования завершена, переходим к подключению.
Подключение электросчетчика на даче. Как правильно провести подключение электросчетчика своими руками
Прибор, контролирующий потребление электроэнергии, необходим в первую очередь для энергоснабжающей организации, а уже во вторую очередь потребителю. Поэтому перед тем как провести подключение электросчетчика своими руками, необходимо ознакомиться с некоторыми требованиями, предъявляемыми этому процессу.
Итак, начнем с того, что самый простой вариант установки является прямое подключение. Для квартир и частных домов – это оптимальный вариант. Необходимо отметить, что, к примеру, городским квартирам по нормам выделяется 3 кВт потребляемой мощности. Если в квартире установлена электрическая варочная печь, тогда 7 кВт. Это приблизительно чуть больше 13 А. Именно по этой характеристике и необходимо делать выбор электросчетчика. Обычно этот параметр на счетчиках располагается в диапазоне: 5-15 А и 10-40 А. То есть, любой из них может быть смонтирован в квартире без дополнительной установки трансформатора тока.
Установка электросчетчика своими руками
Внимание! Разнообразие электрических счетчиков учета очень большое, но при этом клеммы подключения на них располагаются в одинаковом порядке, как по месту расположения на панели, так и по порядку подключения. Кстати, схема подключения обычно находится на обратной стороне крышки клеммной разводки. Таким способом производитель обеспечивает гарантированное правильное подсоединение проводов.
Вторая позиция, на которую необходимо обратить внимание, это правила подключения электросчетчика. Как было сказано выше, этот прибор необходим энергоснабжающей организации, поэтому все действия, связанные с его установкой, должны производиться только в присутствии представителей данной организации. Поэтому когда вы своими руками производите монтаж и подключение обязательно вызывайте контролера.
- Во-первых, подключение и монтаж связаны с определенными нормами и правилами, которые надо будет соблюдать. Требования здесь жесткие.
 - Во-вторых, в конце вам необходимо на руки получить акт приемки электросчетчика, который будет заполнен после опломбирования прибора. Для чего надо устанавливать пломбу? Цель одна – не дать возможности потребителю изменить схему подключения.
 

Если все эти действия не были проведены под контролем энергоснабжающей организации, то установленные вами счетчики электроэнергии не будут считаться прибором контроля. То есть, их показания не будут приниматься за отчетные. Такой счетчик будет расцениваться, как обычное электротехническое устройство, к примеру, как автомат или УЗО.
Как подключить электросчетчик Энергомера. Однофазный счётчик электроэнергии – Энергомера СЕ101
Электросчётчик Энергомера СЕ101 – однофазное, однотарифное изделие для подсчёта потреблённой электроэнергии при подключении в двухфазные цепи переменного электротока. Прибор рассчитан на использование в быту, коммунальной и промышленной сфере, в общественном учреждении для установки на любом индивидуальном объекте.

- измерительным модулем;
 - одним или двумя токовыми датчиками (в виде шунта или трансформатора электротока);
 - механическим счётным устройством роликового типа.
 
Аппарат оборудован испытательным выходом, для подключения оборудования при поверке.
Принцип работы основан на преобразовании поступающих сигналов электротока в импульсы, с последующей обработкой и выводом на роликовое табло.
Технические характеристики
| Характеристики | Величина | 
|---|---|
| Класс точности | 1 или 2 | 
| Диапазон входных сигналов: | |
| сила тока, А напряжение, В коэффициент мощности  | от 0,05 Iб до Iмакс от 0,75Uном до 1,15Uном от 0,8емк. до 1,0 до 0,5инд.  | 
| Базовый (максимальный) ток, А | 5 (50); 5 (60) или 10 (100) | 
| Номинальное напряжение, В | 230 | 
| Диапазон рабочих температур окружающего воздуха, °С | -40… +70 | 
| Диапазон значений постоянной счетчика, имп/(кВт*ч) | от 800 до 6400 | 
| Рабочий диапазон изменения частоты, Гц | 50±2,5 или 60±3 | 
| Стартовый ток (чувствительность), мА: | |
| для одноэлементных счетчиков | |
| с базовым током 5 А с базовым током 10 А  | 10 20  | 
| для двухэлементных счетчиков: | |
| с базовым током 5 А с базовым током 10 А  | 20 40  | 
| Полная мощность, потребляемая цепью тока при базовом токе, В*А, не более | 0,05 | 
| Полная (активная) мощность, потребляемая цепью напряжения при номинальном значении напряжения, В*А (Вт) | 9 (0,8) | 
| Масса, кг, не более | 1,0 | 
| Способ крепления | Рейка ТН35, винты | 
| Габаритные размеры, мм: | |
| для R5 для R5.1 для S4 для S6 для S8 для S10  | 110×89×72.5 105×90×60 185×121×61.5 170×115×53 200×125×75 185×124×61.5  | 
| Средняя наработка до отказа, час | |
| Срок службы, лет | не менее 30 | 
| Межповерочный интервал, лет | 16 | 
| Цена, рос. руб. | от 700 | 

Размеры счётчиков электроэнергии – Энергомер СЕ101
Документация
Руководство по эксплуатации: Смотреть
Формуляр: Смотреть
Описание типа: Смотреть
Декларация соответствия: Смотреть
Каталог производителя: Смотреть
Гарантия на прибор
Производитель гарантирует соответствие изделия требованиям государственных стандартов. Продолжительность гарантийного обслуживания – в течение 7-ми лет от момента производства. Бесплатный ремонт возможен, если аппарат вышел из строя по причине неисправности, допущенной при сборке, а не в результате неправильного обращения.
Преимущества прибора
Счётчик отличается следующими преимуществами:
- простотой и надёжностью конструкции;
 - высокой точностью измерения;
 - большим нормативным сроком службы и межповерочным интервалом;
 - надёжной защитой от самовольного вмешательства в работу;
 - выгодной ценой;
 - привлекательным внешним видом.
 
Разновидности счётчика
Производятся следующие исполнения приборов:
- S6 145 М6 (М7) – первые два символа обозначают тип конструкции корпуса, модель класса точности 1, рассчитана на напряжение 230 В, величину базового и предельного электротока соответственно 5 и 60 А, комплектуется табло с 6-ю или 7-ю роликами;
 - S6 148 М6 (М7) – отличается параметрами тока 10 и 100 А, остальные характеристики аналогичны;
 - R5 145 М6 (М7) – разница в типе корпуса, остальные показатели аналогичны первой модели в перечне;
 - R5 148 М6 (М7) – модель с характеристиками второй модели в списке с корпусом предыдущего исполнения.
 

Расшифровка маркировки счётчика – Энергомера СЕ101

Возможны модели с корпусами R5.1, S4, S8, S10 с аналогичной комплектацией.
Снятие показаний
В зависимости от исполнения, прибор снабжён индикатором в 6 и 7 символов, с одним дробным разрядом. Десятичная доля обозначается красным цветом ролика или аналогичной скобкой вокруг числа на корпусе и не используется при снятии показаний(красная рамка).

Снятие показаний со счётчика – Энергомера СЕ101
Порядок процедуры:
- Выписывается целое значение числа киловатт-часов, исключая начальные нули(жёлтая рамка).
 - Отнимается значение прошлого замера месяцем ранее.
 - Разность перемножается на величину тарифного плана.
 
Можно ли сэкономить
Потребитель может сэкономить только путём снижения расходных показателей, посредством:
- правильного выбора счётчика;
 - соблюдения правил эксплуатации оборудования, согласно требованиям изготовителя;
 - оптимальной нагрузки на электросеть;
 - исключения неоправданных трат электроэнергии.
 
Счётчик конструкционно защищён от несанкционированного воздействия с целью хищения энергии и учитывает показатели по нарастающему итогу.
Подключение счётчика
В зависимости от исполнения корпуса, прибор может устанавливаться на ДИН-рейку или винты. Подключение должен выполнять квалифицированный электрик. Перед началом работ следует отключить подачу энергии.

Схема подключения счётчика – Энергомер СЕ101
При подключении необходимо учитывать требования завода изготовителя, изложенные в руководстве по эксплуатации. После подключения и подачи тока, прибор проверяется в работе. Затем накладываются защитные пломбы, и выполняется запись ответственным работником организации, подключавшей счётчик, в формуляре устройства.
Как подключить двухтарифный счётчик. Принцип снятия и расчёта израсходованной энергии
Двухтарифный счётчик — это современный элемент учёта электроэнергии, который способен показывать и фиксировать не только объем потраченной энергии, но и другие параметры сети. Для того чтобы узнать, сколько израсходовано за тот или иной период электричества необходимо, нажимая кнопки на устройстве учёта, перейти в режим индикации, где можно увидеть данные по дневному и ночному использованию электрооборудования. Зная, сколько киловатт было потрачено в дневное время и соответственно в ночное, можно узнать сколько взято энергии из сети за день, за месяц, за неделю и так далее. Для этого зафиксированная разница умножается на дневной или ночной тариф, который может отличаться в зависимости от региона, где находится потребитель.

На
Конечно же, такая форма учёта имеет свои огромные преимущества и достаточно выгодна для потребителя, который, например, может перенести часть дел на ночное время, благо современные приборы программируются и включаются автоматически в нужное время. Однако, если в сеть включены только холодильник и освещение, то нужно задуматься об эффективности двухтарифного режима оплаты и учёта, и посчитать через сколько времени окупятся все затраты на новое оборудование и на услуги электрика. Надеемся, вам стало понятно, как подключить двухтарифный счетчик электроэнергии в сети 220 и 380 Вольт. Если возникли вопросы, можете задать их в комментариях под статьей.
Будет полезно прочитать:
- Преимущества и недостатки двухтарифных счетчиков
 - Кто должен оплачивать замену электросчетчика
 - Как экономить электроэнергию в домашних условиях
 
В связи с повышением тарифов на электроэнергию многие задумываются о том, как снизить затраты на ее использование. Для этого есть несколько путей решения: от монтажа современного энергосберегающего оборудования до установки специальных измерительных устройств, так называемых, двухтарифных счетчиков электроэнергии. Внешний вид таких приборов разного типа показан на рисунке ниже.
Двухтарифные счетчики электроэнергии
Как видно, по внешнему виду двухтарифный счетчик почти ничем не отличается от обычного цифрового электронного счетчика. Разница лишь в том, что в этом счетчике показания отображаются отдельно за пользование электричеством днем и отдельно в ночное время. Счетчик имеет стандартные размеры, поэтому может легко устанавливаться на место обычного.
Фазировка однофазного счетчика. Подключение счетчика: правила и основные требования
Схема подключения однофазного электросчетчика Здесь привожу типовую схему, которая применима ко всем однофазным приборам учета электрической энергии. Не забудьте перед ее установкой протянуть еще раз все болты. Он считает киловатты, которые израсходовало электрооборудование, а вы за них должны заплатить денежку причем с каждым годом все больше и больше, так как тарифы постоянно дорожают. А потому пренебрегать этим правилом не стоит.
Если же приборы расположены в муниципальной неприватизированной собственности, общедомовой территории подъездах или за пределами частного участка, то все расходы несет либо снабжающая организация, либо они являются общими. Трёхфазные счётчики в свою очередь бывают прямого подключения и трансформаторного. Современные счетчики электроэнергии Сейчас на электрифицированных объектах стоят два типа счетчиков: устаревшие электромеханические или новые электронные. На современных устройствах имеется светодиод, который, при условии, что подключение однофазного счетчика электроэнергии правильное, без нагрузки будет ровно светиться, а при включении потребителей начнет моргать с определенным интервалом. Необходимо соблюдать фазировку подключения обмотки, иначе показания счетчика будут не верны.
При этом нужно надеть резиновые перчатки и стоят на резиновом коврике. Он может быть общим для нескольких цепей, оснащенных приборами учета, либо вместо него может быть установлен обыкновенный ручной коммутатор рубильник. Наконечники штыревые Подключение счетчика происходит зачищенными на 1, см проводами. Если пользователь помещения без уважительной причины отказывает в допуске на территорию, то поставщик электроэнергии может перевести его на общий тариф.
Подключения электросчетчика Меркурий 201.5.Схема подключения.
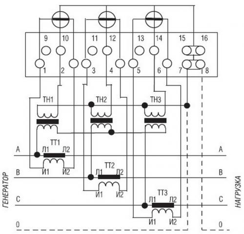
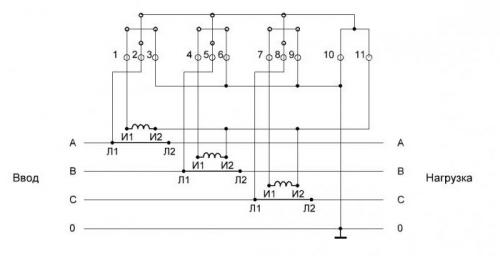
Подключение счетчика меркурий 230. «Меркурий 230»: схема подключения
Как подключить трехфазный счетчик «Меркурий 230» правильно — важный вопрос. Поскольку существует три разновидности трехфазного счетчика, то есть и три способа подключения. Правильная установка — строгое соблюдение последовательности проводного соединения, которые отличаются друг от друга цветом. Первая фаза голубая или синяя, вторая — оранжевая или коричневая, третья — фиолетовая, а нулевая — зеленая. Есть прямое подсоединение и при помощи нескольких токовых трансформаторов.

Популярная схема подключения через трансформатор
Полукосвенное включение
Такой вариант используется там, где у объектов энергопотребления мощность больше 60 киловатт. Токовые трансформаторы, которые используются по схеме, обладают электрическими проводами, а не первичными обмотками. Прибор фиксирует напряжение, которое появляется при протекании тока по вторичной обмотке.

Схема полукосвенного подключения
Прямое подключение
При прямом подключении счетчик подсоединяется только к электролинии. Все что нужно, это присоединить кабель к входу и выходу оборудования. Коммутация проводом при этом очень важна. При монтаже стоит принимать во внимание имеющиеся ограничения. Прямое включение следует использовать тогда, когда сеть рассчитана на 100 ампер. При этом мощность должна быть больше 60 киловатт. Ток в счетчике будет равен 92 ампер.
Стоит указать, что если в квартире будет стандартный набор бытовой техники, к примеру, поставлен кондиционер со стиральной машиной, телевизором и холодильником, то подобную схему можно использовать. Если будет еще и электрический котел, то от нее стоит отказаться.

Схема прямого подключения
Косвенное включение
Косвенное включение в быту не используется. Оно предназначено только для промышленных предприятий, к примеру, атомных, гидравлических и тепловых электрических станций. Шины, отходящие от генераторной установки, ставятся вместе с токовыми трансформаторами. Данные от трансформаторных клемм идут на учетный прибор, который фиксирует то, сколько было выработано электроэнергии. Потом энергия идет через части распределительных устройств к проводам и приборам сети.
